Bemessung des Auflagerbereichs (Auflagerkonsole)
Hier werden bei einer Fertigteiltreppe die Bemessungen für die Auflagerkonsolen ausgegeben.

Die Aufteilung der lotrechten Aufhängekraft kann nach Steinle/ Rostàsy beliebig gewählt werden. Es wird aber empfohlen, den Anteil der Schrägbewehrung nicht über 70% zu wählen.
Horizontalbewehrung in der Konsole unten
Sie errechnet sich aus der Schrägabstützung der lotrechten Kraft Fav.

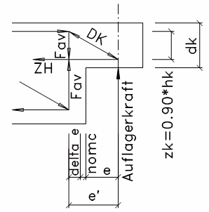
Nutzhöhe der Konsole
| dk | = | Dicke der Konsole [cm] |
| nomc | = | Betonüberdeckung [cm] |
| dsbü | = | Durchmesser der Bügelbewehrung [cm] |
| ds | = | Durchmesser der Horizontalbewehrung [cm] |
| n | = | Anzahl der Lagen der Horizontalbewehrung |
| sis | = | lotrechter lichter Abstand der Lagen nach DIN 1045, 18.2 |
Hebelarm der lotrechten Kräfte
| e | = | Lage der Auflagerachse bezogen auf den Anfang der Konsole [cm] |
| nomc | = | Betonüberdeckung [cm] |
| dsbü | = | Durchmesser der Bügelbewehrung [cm] |
| delta_e | = | Zusatzausmitte deckt Ungenauigkeiten ab. |

Neigung der Druckstrebe:
Nach Schlaich und Schäfer: „Konstruieren im Stahlbetonbau“ Betonkalender 1989 Teil II muss die Neigung der Druckstrebe > 30° betragen damit eine Tragwirkung als Konsole gegeben ist.
| Druckstrebenneigung | = | arc tan (kz*hk/dk) |
| kz | = | Wert aus der Bemessung i.d.R. 0.90 |
| hk | = | Nutzhöhe der Konsole |
| dk | = | Dicke der Konsole |
Spaltzugbewehrung in der Auflagerkonsole
Zur Aufnahme der Spaltzugbewehrung wird in der Auflagerkonsole eine zusätzliche Horizontalbewehrung angeordnet.

| Zh | = | horizontale Zugkraft in der Auflagerkonsole unten (siehe auch Horizontalbewehrung in der Konsole unten). |
| n | = | 1/3 von Zh wird für die Ermittlung der Spaltzugbewehrung herangezogen. |
Nachweis der Betondruckstreben nach Steinle/Rostásy
Der Nachweis der Tragfähigkeit der Betondruckstreben wird nach Steinle/Rostásy („Zum Tragverhalten ausgeklinkter Trägerenden“ Betonwerk + Fertigteiltechnik 1975) über die erforderliche Konsolhöhe min hk bzw. dk getrennt für beide Aufhängungsarten geführt.

| Gamma | = | Sicherheitsbeiwert i.d.R. bei Beton 1.75 |
| b | = | Breite der Auflagerkonsole hier immer 1.00m |
| betaR | = | Betondruckfestigkeit |
| al | = | Neigung der Schrägaufhängung |