Zur Erddruckermittlung
Bodenkennwerte für Erddruckermittlungen
Die Güte der Erddruckermittlung steht und fällt mit der Güte der Bodenkennwerte. Daher erfordert die Ermittlung und Festlegung der Bodenkennwerte die gleiche Aufmerksamkeit wie die anschließende Berechnung.
Zur Berechnung sind erforderlich:
- γ (gamma) Wichte bzw. spezifisches Gewicht in kN/m3
- φ (phi) Winkel der inneren Reibung in Grad
- δ (delta) Wandreibungswinkel. Dieser Wert erfasst die Reibung zwischen der Wand und dem Erdreich. Grenzwerte sind δ =0 als untere Grenze und δ = φ als obere Grenze (Angaben hierzu in DIN 4085). Bei der Festlegung des Wandreibungswinkels ist zu beachten, dass bei Vergrößerung der aktive Erddruck kleiner bzw. der passive größer wird.
- α (alpha) Neigungswinkel der Bauwerksfläche, auf die der Erddruck wirkt. Wird von XSPUN automatisch aus der eingegebenen Wandgeometrie ermittelt.
Ebene Gleitfläche nach Coulomb (aktiver Fall)
Im allgemeinen ist die kinematische Methode (Coulomb’sche Erddrucktheorie) das am häufigsten verwendete Verfahren. Diese kinematische Methode geht von einem vereinfachten Bruchmechanismus aus, d.h.

a) die Gleitfugenresultierende Q erfüllt die statische Bruchbedingung, d.h. sie ist unter dem Reibungswinkel φ gegen die Gleitfugennormale entgegen der Bewegungsrichtung geneigt
b) der Erddruck weist eine vorgegebene Neigung δ (δ ≤φ) gegenüber der Wandnormalen auf
c) es stellt sich diejenige Gleitfugenneigung
ein, bei der E maximal wird
ein, bei der E maximal wirdd) Die Wand hat die Freiheit zur drehungsfreien Verschiebung (Translation) vom Erdreich weg d.h. es kann sich einen ebene Gleitfläche ausbilden. Der lineare Erddruck nach Coulomb stellt sich nur ein, wenn eine Verschiebung des Wandkopfs von > = 0.005*h möglich ist (Betonkalender 1987 Teil 2).
Ebene Gleitfläche nach Coulomb (passiver Fall)
Für den Erdwiderstand ist das angegebene Verfahren formal in gleicher Weise anwendbar, wenn man φ negativ in die Formeln von Coulomb setzt.
Ebene Gleitfläche und Kohäsion nach Coulomb
Die Einbeziehung der Kohäsion bereitet keine grundsätzlichen Schwierigkeiten. Schwieriger ist in der Regel die Entscheidung darüber, wo und in welchem Ausmaß eine gegebene Kohäsion überhaupt anzusetzen ist. Man sollte die Kohäsion nur dann ansetzen, wenn der Boden gegen Austrocknung und Frost geschützt ist und beim Durchkneten nicht breiig wird.
Durch die Kohäsion wird die Scherfestigkeit des Bodens erhöht. In der Gleitfläche wirken hier neben Reibungskräften Kohäsionskräfte (Haftkräfte). Diese bewirken, dass der aktive Erddruck kleiner und der passive Erddruck größer wird. Die Neigung der Gleitfläche (theta) wird durch die Kohäsion nicht beeinflusst.
Im Bereich der Erdoberfläche, auf der aktiven und passiven Seite, kann der Boden durchweicht oder in seiner natürlichen Lagerung gestört sein, so dass Kohäsion nicht vorhanden ist. Es ist daher sinnvoll, in diesen Zonen, auf etwa 0.50 bis 1.0m Höhe, ohne Kohäsion zu rechnen.
Ein sich bei der Ermittlung des Erddruckes rechnerisch ergebender negativer Druck durch Kohäsion wird von XSPUN nicht in Rechnung gestellt. Außerdem wird ein min. Erddruck ermittelt über einen Faktor der auf dem Dialog Erdstatische Angaben eingegeben werden kann. Über den Faktor kann gesteuert werden unter welchen Anteil des Erddrucks ohne Kohäsion der Erddruck nicht fallen darf. Bei einem Faktor von 0.20 wird der Erddruck mit einem Kappawert (kagh=0.20) von 0.20 ermittelt.
D. h. eah =0.20 * gamma * h .
Erddruckermittlung aus dem beliebig polygonalen Geländeverlauf

Der Geländeverlauf wird von XSPUN in einzelne Abschnitte von (maximal 0.10m) dx unterteilt (diskretisiert). Zur Berechnung können jetzt diese Streifen wie eine Belastung (kleine Streckeneinwirkungen) auf ebenem Gelände behandelt werden.
Das Gewicht (die Belastung) eines Streifens wird aus Breite * Höhe *
berechnet. Hat der Streifen auch eine geneigte Oberkante (Gelände geneigt) wird das Gewicht mit dem Faktor
erhöht.
berechnet. Hat der Streifen auch eine geneigte Oberkante (Gelände geneigt) wird das Gewicht mit dem Faktor
erhöht.D.h. Ein Boden ohne Geländeneigung hat einen Erddruckbeiwert kappa von 0.28 und der gleiche Boden mit einer Geländeneigung von 30° einen Erddruckbeiwert kappa von 0.75. Daraus ergibt sich ein Erhöhungsfaktor für das Gewicht des Streifens von 0.75/0.28=2.67.
Soll dieses Berechnungsverfahren nicht angewendet werden muss man auf dem Dialog Erdstatische Angaben in dem Feld Berücksichtigung der Geländeneigung der Schalter auf „nach DIN 4085“ umgestellt werden. Zusätzlich muss eine Geländeneigung angegeben werden, die bei der Ermittlung des Erddruckbeiwerts kappa angesetzt werden soll.
Als Bezugspunkt für die Höhe der Streifen wird der tiefste Geländepolygonpunkt herangezogen.
Dann wird für jeden Streifen die z-Ordinate berechnet (mit Winkel phi und theta), an der die Wirkungsstrahlen auf die Stützwand treffen. Jeder Streifen erzeugt somit eine Erddruckfläche, die sich aus 4 Wirkungsstrahlen zusammensetzt (siehe auch Streckeneinwirkungen):
1. (A) mit Winkel phi → Anfang der Erddruckfläche
2. (B) mit Winkel theta → erreichen des Maximalwertes
3. (C) mit Winkel phi → Ende des Maximalwertes
4. (D) mit Winkel theta → Ende der Erddruckfläche
Diese einzelnen Erddruckflächen werden zu einer gesamten Fläche zusammenaddiert und danach mit den entsprechenden Kappawerten der Erddruck ermittelt.
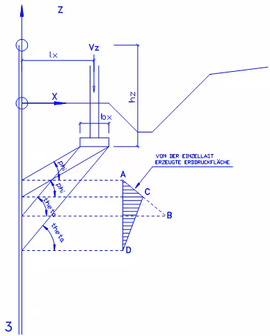
Erddruckermittlung bei Einzeleinwirkungen

Zur Ermittlung der Erddruckfläche für eine Einzelwirkung sind folgende Parameter erforderlich:
- lx (m) Lage ab dem 1. Geländepolygonpunkt in x-Richtung
- hz (m) Lage (Höhe) in z-Richtung ab Wandoberkante
- bx (m) Breite der Aufstandsfläche (Fundamentbreite) der Lastwirkung
- Vz (kN/m) Einwirkungsgröße
Zuerst wird die Einzeleinwirkung in eine Streckeneinwirkung umgerechnet, danach wird bei der Berechnung der Erddruckfläche genauso verfahren wie bei den Streckeneinwirkungen.
Zuerst wird für die Einwirkung die z-Ordinate berechnet (mit Winkel phi und theta), an der die Wirkungsstrahlen auf die Stützwand treffen. Jede Einwirkung erzeugt eine Erddruckfläche die sich aus 4 Wirkungsstrahlen zusammensetzt:
1. (A) mit Winkel phi → Anfang der Erddruckfläche
2. (B) mit Winkel theta → erreichen des Maximalwertes
3. (C) mit Winkel phi → Ende des Maximalwertes
4. (D) mit Winkel theta → Ende der Erddruckfläche
Erddruckermittlung bei Streckeneinwirkungen

Zur Ermittlung der Erddruckfläche für eine Streckeneinwirkung sind folgende Parameter erforderlich:
- lx (m) Lage ab dem 1. Geländepolygonpunkt in x-Richtung
- hz (m) Lage (Höhe) in z-Richtung ab Wandoberkante
- l (m) Länge der Streckeneinwirkung
- g+p (kN/m2) Einwirkungsgröße
Zuerst wird für die Streckeneinwirkung die z-Ordinate berechnet (mit Winkel phi und theta), an der die Wirkungsstrahlen auf die Stützwand treffen. Jede Streckeneinwirkung erzeugt eine Erddruckfläche die sich aus 4 Wirkungsstrahlen zusammensetzt
1. (A) mit Winkel phi → Anfang der Erddruckfläche
2. (B) mit Winkel theta → erreichen des Maximalwertes
3. (C) mit Winkel phi → Ende des Maximalwertes
4. (D) mit Winkel theta → Ende der Erddruckfläche
Erddruckermittlung bei Trapezeinwirkungen

Zur Ermittlung der Erddruckfläche für eine Trapezeinwirkung sind folgende Parameter erforderlich:
- lx (m) Lage ab dem 1. Geländepolygonpunkt in x-Richtung
- hz (m) Lage (Höhe) in z-Richtung ab Wandoberkante
- l (m) Länge der Trapezeinwirkung
- g1+p1 (kN/m2) Einwirkungsgröße am Anfang
- g2+p2 (kN/m2) Einwirkungsgröße am Ende
Die Trapezeinwirkung wird von XSPUN in einzelne Abschnitte (maximal 0.10m) dx unterteilt (diskretisiert). Zur Berechnung werden diese Streifen wie eine Streckeneinwirkung behandelt.
Es wird für jeden Streckenlaststreifen die z-Ordinate berechnet (mit Winkel phi und theta), an der die Wirkungsstrahlen auf die Stützwand trifft. Jeder Streckenlaststreifen erzeugt eine Erddruckfläche, die sich aus 4 Wirkungsstrahlen zusammensetzt:
1. (A) mit Winkel phi → Anfang der Erddruckfläche
2. (B) mit Winkel theta → erreichen des Maximalwertes
3. (C) mit Winkel phi → Ende des Maximalwertes
4. (D) mit Winkel theta → Ende der Erddruckfläche
Berücksichtigung des Erddrucks im Bereich von abfallenden Gelände
Mit XSPUN ist es möglich, Gelände zu erzeugen bzw. zu berechnen, die direkt an der Wand abfallen.

Wenn das Gelände sofort auf der aktiven (rechts) oder passiven (links) Seite abfällt, ist es nicht immer sinnvoll, den Erddruck in diesem Fall zu berücksichtigen, da er in dieser Größe bei sehr steil abfallendem Gelände nicht in vollem Umfang auftreten kann.
Auf der aktiven (rechts) Seite, führt dies zu großen Erddrücken und die Spundwand wird Überbemessen.
Bei passivem (links) Erddruck, führen die zu groß ermittelten Erddrücke zu einer Unterbemessung, da der entgegenwirkende passive Erddruck zu groß angesetzt wird.
Um diesen Fall berücksichtigen zu können, haben Sie die Möglichkeit die Erddrücke in diesem Bereich auszustellen.
Hierzu stehen auf dem Dialog „Erdstatische Angaben“ folgende Einstellmöglichkeiten zur Verfügung:

Für jeden Erddruck, den XSPUN ermittelt (aktiver und passiver Erddruck) stehen Ihnen ein Schalter und eine Höhenkote zu Verfügung.
Wollen Sie z.B. dass der Erddruck für den aktiven Erddruck für Bild 2 erst ab der Höhenkote –1.20 m berücksichtigt wird, so müssen Sie den Schalter „Für aktiven Erddruck“ ausstellen. Das Eingabefeld für die Höhenkote wird freigeschaltet und Sie geben dort den Wert –1.20 m ein. Der Erddruck oberhalb dieser Höhenkote wird jetzt nicht mehr berücksichtigt.

