Stahlanschluss
Über diesen Dialog definieren Sie Stahlanschlüsse. Die Stahlanschlüsse können entweder biegesteif oder gelenkig ausgebildet sein. Sie werden auf Grundlage der "Bemessungshilfen für profilorientiertes Konstruieren" berechnet.
Die Stahlanschlüsse sind entweder in ein bestehendes Gesamtsystem eingebettet - werden also innerhalb eines Rahmen- oder Faltwerksdokumentes eingegeben, oder sie sind autark und werden innerhalb eines Dokumentes vom Typ "Stahlanschluss" eingegeben. Bei Anschlüssen die in einem Gesamtsystem vorliegen, werden die Schnittgrößen aus dem Gesamtsystem entnommen. Bei autarken Anschlüssen müssen die Schnittgrößen manuell eingegeben werden.
Ist der Anschluss ins System integriert, kann er bei einem Stab am Anfangsknoten und/oder am Endknoten verwendet werden. In diesem Fall wird der Anschluss für die an dem jeweiligen Knoten auftretenden Bemessungsschnittgrößen bemessen.
Die Stahlanschlüsse sind entweder in ein bestehendes Gesamtsystem eingebettet - werden also innerhalb eines Rahmen- oder Faltwerksdokumentes eingegeben, oder sie sind autark und werden innerhalb eines Dokumentes vom Typ "Stahlanschluss" eingegeben. Bei Anschlüssen die in einem Gesamtsystem vorliegen, werden die Schnittgrößen aus dem Gesamtsystem entnommen. Bei autarken Anschlüssen müssen die Schnittgrößen manuell eingegeben werden.
Ist der Anschluss ins System integriert, kann er bei einem Stab am Anfangsknoten und/oder am Endknoten verwendet werden. In diesem Fall wird der Anschluss für die an dem jeweiligen Knoten auftretenden Bemessungsschnittgrößen bemessen.
Eigenschaften Biegesteifer Anschluss Querkraftanschluss Nachweis
Name
Ein eindeutiger Bezeichner für dieses Objekt. Dabei handelt es sich um den Namen, unter dem das Objekt identifiziert wird. Objekte von unterschiedlichem Typ dürfen identische Namen haben.
Biegesteif
Hier legen sie fest, ob der Anschluss biegesteif oder gelenkig ausgebildet werden soll.
Profil
Das zum Nachweis gehörende Profil. Der Stahlanschluss kann nur Stäben zugewiesen werden, die das gleiche Profil haben. Nicht integrierte Anschlüsse werden per Definition keinem Stab zugeordnet.
Siehe auch: Querschnitt
α,s
Abminderungsbeiwert zur Berechnung der Grenzschweißnahtspannung
Material
Das für den Nachweis zu verwendende Material.
Siehe auch: Material
Neu...
Über diesen Schalter definieren sie ein neues Material.
Schnittgrößen
Falls der Schalter "Ins System integriert" nicht gesetzt ist - oder falls es sich um einen Anschluss in einem separaten Stahlanschluss-Dokument handelt -, können Sie hier die Bemessungsschnittgrößen manuell eingeben.
Position
Position des Stahlanschlusses. Bei Anschlüssen in einem separaten Stahlanschluss-Dokument kann keine Position vergeben werden. Bei diesen Dokument-Typen fehlt diese Eingabemöglichkeit.
Siehe auch: Position
Neu...
Kommentar
Kommentar
Vorlage
In Abhängigkeit vom Profil werden in dieser Liste alle zulässigen biegesteifen Anschlüsse nach den "Bemessungshilfen für profilorientiertes Konstruieren" angeboten. Zur Auswahl stehen die Typen:
Nach der Auswahl eines der angebotenen Anschlüsse, werden dessen Daten in die entsprechenden Felder eingefügt. Diese Werte können manuell verändert werden.
| IH 1 | IH 2 | IH 3 | IH 4 |
![]() | ![]() | ![]() | ![]() |
Bezeichnung
Die Bezeichnung dieses Anschlusses.
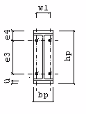
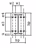
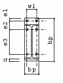
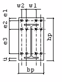
hp
Höhe der Stirnplatte [mm]
bp
Breite der Stirnplatte [mm]
dp
Dicke der Stirnplatte [mm]
ü
Stirnplattenüberstand [mm]
af
Dicke der Schweißnaht am Flansch [mm]
as
Dicke der Schweißnaht am Steg [mm]
f
Schraubenfestigkeit [-]
d
Schraubendurchmesser d [mm]
e1
vertikaler Abstand e1 [mm]
e2
vertikaler Abstand e2 [mm]
e3
vertikaler Abstand e3 [mm]
e4
vertikaler Abstand e4 [mm]
w1
horizontaler Abstand w1 [mm]
w2
horizontaler Abstand w2 [mm]
Vorlage
In diesem Auswahlbaum werden alle Querkraftanschlüsse nach den "Bemessungshilfen für profilorientiertes Konstruieren" angeboten. Nach der Auswahl eines der angebotenen Anschlüsse, werden dessen Daten in die entsprechenden Felder eingefügt. Diese Werte können manuell verändert werden.
Bezeichnung
Die Bezeichnung dieses Anschlusses.
hp
Höhe der Stirnplatte [mm]
bp
Breite der Stirnplatte [mm]
dp
Dicke der Stirnplatte [mm]
z
Schwerpunktabstand Profil-Platte [mm]
as
Dicke der Naht am Steg [mm]
mit Flanschnaht
Soll der Anschluss auch Querkräfte in Y-Richtung aufnehmen können, so muss eine Flanschnaht vorhanden sein.
af
Dicke der Naht am Flansch [mm]
f
Schraubenfestigkeit [-]
n
Schraubenanzahl [-]
d
Schraubendurchmesser d [mm]
Hochfest
e1
vertikaler Abstand e1 [mm]
e2
vertikaler Abstand e2 [mm]
w2
horizontaler Abstand w2 [mm]
Wenn Sie diesen Schalter betätigen, wird der definierte Anschluss nachgewiesen.



