Steineranteil von Unterzügen
Der Steineranteil des Trägheitsmomentes hat einen wesentlichen Einfluss auf die Steifigkeit von Unterzügen.
Plattenbalkenquerschnitt
Bei der Berechnung von Decken mit Unterzügen müssen finite Plattenelemente mit Stabelementen gekoppelt werden. Deren Achsen stimmen nicht miteinander überein. Dies führt in der Realität zu einem Kräftepaar. Dieses Kräftepaar bewirkt eine Erhöhung der Steifigkeit im Unterzugsbereich. Da finite Plattenelemente nur Biegung(keine Normalkräfte) aufnehmen können, kann sich in dem Rechenmodell kein Kräftepaar ausbilden.
Um trotzdem zu realistischen Ergebnissen zu kommen, wird an der Stelle des Unterzuges ein Plattenbalkenquerschnitt angesetzt. Dies erhöht die Steifigkeit des Unterzuges.
Zur Ermittlung der Plattenbalkensteifigkeit müssen die Abmessungen des Plattenbalkens bekannt sein. Problematisch ist hier hauptsächlich die Plattenbreite. Gerade bei komplexen Grundrissen ist eine korrekte Ermittlung unmöglich. Als recht praxistauglich hat sich hier die Benutzung der mitwirkenden Plattenbreite erwiesen. Aber auch für deren Ermittlung gibt es keine exakten Werte. Die DIN gibt hier Hinweise in Form von bm = l/3. (mit l = Abstand der Momentennullpunkte). Da schon die exakte Festlegung der Eingangswerte nicht möglich ist, kann man von dieser Methode auch keine exakten Ergebnisse erwarten. Es hat sich aber gezeigt, dass hier die Benutzung der Werte der DIN (z.B. bm=l/3) Ergebnisse liefert, die in der Praxis bestätigt werden konnten.
Um trotzdem zu realistischen Ergebnissen zu kommen, wird an der Stelle des Unterzuges ein Plattenbalkenquerschnitt angesetzt. Dies erhöht die Steifigkeit des Unterzuges.
Zur Ermittlung der Plattenbalkensteifigkeit müssen die Abmessungen des Plattenbalkens bekannt sein. Problematisch ist hier hauptsächlich die Plattenbreite. Gerade bei komplexen Grundrissen ist eine korrekte Ermittlung unmöglich. Als recht praxistauglich hat sich hier die Benutzung der mitwirkenden Plattenbreite erwiesen. Aber auch für deren Ermittlung gibt es keine exakten Werte. Die DIN gibt hier Hinweise in Form von bm = l/3. (mit l = Abstand der Momentennullpunkte). Da schon die exakte Festlegung der Eingangswerte nicht möglich ist, kann man von dieser Methode auch keine exakten Ergebnisse erwarten. Es hat sich aber gezeigt, dass hier die Benutzung der Werte der DIN (z.B. bm=l/3) Ergebnisse liefert, die in der Praxis bestätigt werden konnten.
Berechnung
Anhand von 4 Beispielen wird erläutert, welche Verformungen bei der Berechnung mit finiten Plattenelementen zu erwarten sind.
Es wird die Verformung eines 10.0m langen Einfeldbalkens ermittelt, mit einer Streckeneinwirkung von 100.0 kN/m. Als Material wird
Beton C30/37 (E-Modul 28300 MN/m2) verwendet.
1. Beispiel:
Balken als Rechteckquerschnitt, die Schwerpunkte der Plattenelemente und des Balkens sind identisch.
2. Beispiel:
Balken als Plattenbalken bei dem der Steg unterhalb angeordnet wird.
Die Schwerpunkte der Plattenelemente und des Plattenbalkens sind identisch.
3. Beispiel:
Balken als Plattenbalken bei dem der Steg unterhalb angeordnet wird.
Die Schwerpunkte der Plattenelemente und des Balkens sind nicht identisch. Die Steifigkeit des Plattenbalkens wird durch
den Steineranteil (Iys) erhöht.
4. Beispiel:
Balken als Plattenbalken bei dem der Steg unterhalb angeordnet wird.
Die Schwerpunkte der Plattenelemente und des Balkens sind nicht identisch, anstatt des Steineranteils wird hier bei der
Berechnung ein Exzenter von 28.58 cm berücksichtigt.
Es wird die Verformung eines 10.0m langen Einfeldbalkens ermittelt, mit einer Streckeneinwirkung von 100.0 kN/m. Als Material wird
Beton C30/37 (E-Modul 28300 MN/m2) verwendet.
1. Beispiel:
Balken als Rechteckquerschnitt, die Schwerpunkte der Plattenelemente und des Balkens sind identisch.
Balken 30.0/100.0 cm:![]() | Ermittlung von Iy: IyGesamt= b*d3/12 = 0.30*1.003/12 = 0.025m4 Eigenträgheitsmoment der Decke: IyDecke= b*d3/12 = 0.30*0.203/12 = 0.002m4 Ermittlung der Verformung: max f = (5*q*l4)/(384*E*IyGesamt) EC30/37= 28300 MN/m2; q=10.0 kN/m; l=10.0m max f = 18.4 mm Bei der FE-Berechnung wird das Eigenträgheitsmoment (IyDecke)der Decke nicht berücksichtigt. Wenn Sie die FE-Berechnung mit Iy=0.025-0.002 = 0.0248 m4=2480000 cm4 durchführen erhalten Sie eine Verformung von 18.43 mm. |
2. Beispiel:
Balken als Plattenbalken bei dem der Steg unterhalb angeordnet wird.
Die Schwerpunkte der Plattenelemente und des Plattenbalkens sind identisch.
Plattenbalken: ![]() | Ermittlung des Gesamtschwerpunkts: e1= (2.0*b1+b0+d20)/(2.0*A) b1=0.30m; b0=0.30m; d20=0.20m A=0.420m2 e1= 0,3858 m Ermittlung von Iy: IySteg= b*d3/12 = 0.30*0.803/12 = 0.0128m4 IyFlansch= b*d3/12 = 0.90*0.203/12 = 0.00060m4 Steineranteile bezogen auf den Gesamtschwerpunkt: ISteinerSteg= 0.30*0.80*(0.80*0.5+0.20-0.3858)2 ISteinerSteg= 0.011 m4 ISteinerFlansch=0.90*0.20*0.28582= 0.0147 m4 IyGesamt=IySteg+ISteinerSteg+IyFlansch+ISteinerFlansch IyGesamt=0.039114 m4 Ermittlung der Verformung: max f = (5*q*l4)/(384*E*I) EC30/37= 28300 MN/m2; q=10.0 kN/m; l=10.0m max f = 11.76 mm Wenn Sie die FE-Berechnung mit Iy=0.039114m4= 3911428.0 cm4 durchführen erhalten Sie eine Verformung von 11.73 mm. |
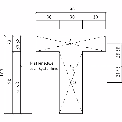
3. Beispiel:
Balken als Plattenbalken bei dem der Steg unterhalb angeordnet wird.
Die Schwerpunkte der Plattenelemente und des Balkens sind nicht identisch. Die Steifigkeit des Plattenbalkens wird durch
den Steineranteil (Iys) erhöht.
Plattenbalken: ![]() | Ermittlung von Iywie bei Beispiel 2: IyPlattenbalken=0.039114 m4, A=0.420m2 e= Abstand = 0,2858 m Ermittlung des Steineranteils Iys: Iys = e2*A Iys =0,28582*0.420 = 0,03429 m4 Ermittlung der Verformung: max f = (5*q*l4)/(384*E*I) EC30/37= 28300 MN/m2; q=10.0 kN/m; l=10.0m max f = 6.26 mm Wenn Sie die FE-Berechnung mit Iy=IyPlattenbalken + Iys = 7340000 cm4 durchführen erhalten Sie eine Verformung von 6.28 mm. |
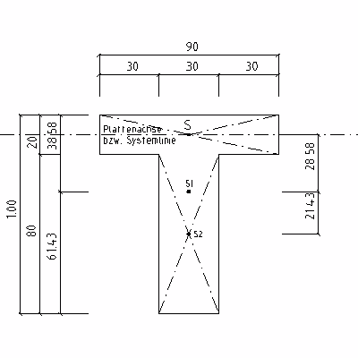
4. Beispiel:
Balken als Plattenbalken bei dem der Steg unterhalb angeordnet wird.
Die Schwerpunkte der Plattenelemente und des Balkens sind nicht identisch, anstatt des Steineranteils wird hier bei der
Berechnung ein Exzenter von 28.58 cm berücksichtigt.
Plattenbalken: ![]() | Ermittlung von Iywie bei Beispiel 2: IyPlattenbalken=0.039114 m4, A=0.420m2 e= Exzenter = 0,2858 m Ermittlung der Verformung mit Xfalt: max f = 7.36 mm |


